CBB20 金屬化聚丙烯薄膜圓形軸向電容器

| 產品說明: |
| 采用金屬化聚丙烯薄膜無感式卷繞、邁拉膠帶封裝、 鍍錫銅線軸向引出,具有體積小、高絕緣、低損耗、 低溫升、便于安裝等特點。適用于電源、音響分頻等 各種濾波、降噪和低脈沖電路中。 |

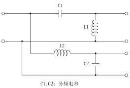
典型線路圖:

引用標準 | GB10190﹑IEC 60384-16 | |
氣候類別 | 40/85/21 | |
額定電壓 | 250VDC~630VDC | |
容量范圍 | 1μF~40μF | |
容量偏差 | ±5%(J)、±10%(K) | |
耐電壓 | 極間 | 1.6*UR(VDC)/10s |
絕緣電阻(20℃) | 極間 | ≥30000MΩ, CR≤0.33μF (100Vdc,60s) |
極殼 | ≥100000MΩ ( 100Vdc,60s) | |
損耗角正切(20℃) | ≤0.002 (1KHz ) | |
| 常用規格(Unit:mm) | |||||||||
Rated Cap. | 250/275VDC | 400VDC | 630VDC | ||||||
L | D | Фd | L | D | Фd | L | D | Фd | |
1.0μF | 26 | 9.5 | 0.8 | 26 | 11.5 | 0.8 | 26 | 16 | 0.8 |
1.2μF | 26 | 10.5 | 0.8 | 26 | 13 | 0.8 | 25 | 17.5 | 0.8 |
1.5μF | 26 | 11.5 | 0.8 | 25 | 14 | 0.8 | 31 | 17 | 0.8 |
2.0μF | 26 | 13 | 0.8 | 25 | 16 | 0.8 | 31 | 19.5 | 0.8 |
2.2μF | 26 | 13.5 | 0.8 | 25 | 17 | 0.8 | 31 | 20 | 0.8 |
2.5μF | 26 | 14 | 0.8 | 25 | 18 | 0.8 | 31 | 21 | 0.8 |
3.0μF | 26 | 15.5 | 0.8 | 31 | 16.5 | 0.8 | 31 | 23 | 0.8 |
3.5μF | 26 | 16.5 | 0.8 | 31 | 17.5 | 0.8 | 36 | 22.5 | 0.8 |
4.0μF | 26 | 17.5 | 0.8 | 31 | 19 | 0.8 | 36 | 23.5 | 0.8 |
4.7μF | 26 | 18.5 | 0.8 | 31 | 20 | 0.8 | 36 | 25.5 | 0.8 |
5.6μF | 31 | 18 | 0.8 | 31 | 22 | 0.8 | 36 | 28 | 0.8 |
6.8μF | 31 | 19.5 | 0.8 | 31 | 24 | 0.8 | 46 | 26 | 0.8 |
8.2μF | 31 | 21 | 0.8 | 36 | 23.5 | 0.8 | 46* | 28.5 | 0.8 |
10.0μF | 31 | 23.5 | 1.0 | 36 | 26 | 1.0 | 46 | 30.5 | 1.0 |
評論
Comment



